SOTA QSO BOX
Κάπου ότι τα 10 χρόνια του SOTA στην Ελλάδα ήθελα να τα "γιορτάσω" με κάτι διαφορετικό, κάτι ότι οι πεσμένοι ρυθμοί της έξαλλης ζωής που κάνουμε (
) μας κλείνουν αναγκαστικά περισσότερες ώρες στο σπίτι αλλά, κυρίως, η ανακάλυψη του AD9850 με οδήγησαν στην απόφαση επιτέλους να τελειώσω (ΝΑΙ ΝΑΙ ΑΥΤΗ ΤΗ ΦΟΡΑ ΘΑ ΤΕΛΕΙΩΣΕΙ... ) ένα πομποδέκτη, ιδιοκατασκευή, (κλώνο του ΚΧ-1) που να είναι εντελώς πρωτότυπο σα σύνθεση (ΟΧΙ σαν ιδέα και σχεδίαση των modules φυσικά) .
Ένα άλλο σημαντικό κίνητρο είναι, εκμεταλλευόμενος το βήμα εδώ, να ανοίξω ίσως την όρεξη στους συναδέλφους που δεν έχουν ασχοληθεί με ιδιοκατασκευές (και ειδικά RF), αποδεικνύοντας στη πράξη ότι, χωρίς να έχουμε καμία επαγγελματική σχέση με τα ηλεκτρονικά (ή ανάλογη παιδεία) και με ελάχιστα χρήματα, μπορούμε να κατασκευάσουμε ένα πομποδέκτη που να λειτουργεί και να μας εξυπηρετήσει στις SOTA επαφές ισάξια με ένα εμπορικό μοντέλο.
Τίποτα μα τίποτα δεν συγκρίνεται στο ραδιοερασιτεχνισμό με την ικανοποίηση που νιώθεις όταν λειτουργείς το σταθμό σου και κάποια στοιχεία σε αυτόν είναι ιδιοκατασκευή. Είτε κεραία, είτε πομποδέκτης είτε παρελκόμενα. Όπως ελπίζω να διαπιστώσετε και εσείς, το 817 μπορεί να το ακούσουμε στο σπίτι κανένα 5 λεπτο, να μας κουράσει ο θόρυβος και να το κλείσουμε, το «δικό» μας δεκτάκι είναι σα τα μωρά και τη θάλασσα.. ακροόμαστε (τα κοιτάζουμε) για ώρες και όχι μόνο δε βαριόμαστε αλλά νομίζουμε ότι είναι και τα ποιοτικότερα που έχουμε ακούσει ever..
Το SOTA_QSO_BOX ή SQ_BOX λοιπόν, ΘΑ είναι (ΝΑΙ ΝΑΙ I promise) ένας CW πομποδέκτης στα 3-5 W στη περιοχή συχνοτήτων των 20Μ. Θα μετατρέπεται εύκολα ή θα λειτουργεί παράλληλα και στις άλλες περιοχές συχνοτήτων έως και τα 10Μ. Θα έχει αυτόματο Keyer ρυθμιζόμενης ταχύτητας, φωτιζόμενη οθόνη με ένδειξη συχνότητας, βήματος συντονισμού, ισχύος εκπομπής και volt μπαταρίας. Θα ακούει φυσικά μια χαρά και SSB.
Τα 4 βασικά modules του πομποδέκτη είναι:
1. DDS VFO με ένδειξη σε οθόνη
2. DC Receiver
3. Στάδια ενίσχυσης και low pass filter για την εκπομπή
4. κύκλωμα keyer, χρονισμού, μεταγωγής κεραιών
Προς το παρόν έχουν ολοκληρωθεί τα στάδια 1 και 2.
Το σχηματικό διάγραμμα του DDS-VFO και την πλακέτα δε τα δημοσιεύω ακόμα γιατί προφανώς θα υποστεί αρκετές αλλαγές-προσθήκες μέχρι να τελειώσει ο πομποδέκτης.
Όποιος όμως αποφασίσει να στήσει τη δικιά του version και θέλει βοήθεια με τον κώδικα στο Arduino η δικιά μου συρραφή από διάφορες libraries και κώδικα άλλων συναδέλφων είναι προς το παρόν αυτή: programma9850.ino, έχω τακτοποιήσει τον κώδικα και προσθέσει αρκετά σχόλια που θα βοηθήσουν.
Για το δέκτη το στόρυ έχει περιληπτικά κάπως έτσι:
ΠΡΩΤΑ ΑΠΟ ΟΛΑ ότι και να φτιάξουμε, αν θέλουμε να τελειώσει σα παιχνίδι και όχι σα βάσανο χρειαζόμαστε ένα σταθερό και «καλό» VFO. Εφόσον το εξασφαλίσουμε τα υπόλοιπα είναι παιχνίδι, εκεί μας λύνει τα χέρια το DDS.
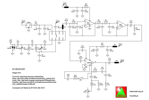
Υπερετερόδυνος ή DC Receiver ? : DC Receiver γιατί δε θέλω να μπλέξω με BFO (και άλλο ταλαντωτή), ενισχυτές RF (μέση συχν.) και να παραγγέλνω ή να ψάχνω τρελά φίλτρα. Θέλω να έχω όλα τα εξαρτήματα εδώ, τα απογεύματα, μετά τη δουλειά, να παίξω και να πειραματιστώ.
Τι front end? Ποιο mixer? Ποια τα μειονεκτήματα του DC Receiver:
Διάβασμα, διάβασμα, διάβασμα. Το καλύτερα ποιοτικά σχέδιο με τα λιγότερα και πιο απλά εξαρτήματα. Ρεαλισμός για τις συνθήκες που θα λειτουργήσει => Βουνό με απλές κεραίες χωρίς κέρδος και με σίγουρες απώλειες.
Ένα καλό απλό tutorial για τους DC Receivers: dc_receiver.html
Μια πιο πλήρης μελέτη στα ραδιοερασιτεχνικά μέτρα:YU1LM.pdf(30 σελίδες).
Πάμπολλες αναφορές στο διαδίκτυο, σε handbooks κ.α. Διαβασέ τα όλα, ξεκίνα με το απλό, απλούστευσέ το και άλλο.
Δε χρειάζομαι πραγματικά AGC, δεν έχω τα όργανα να το ρυθμίσω, θα με μπερδέψει, άστο, δε θα τον έχω τον δέκτη στο τραπέζι να ακούω όλη μέρα, αν με κουφάνει ένα σήμα πάνω στο QSO έχω και το volume (ναι οκ προς το παρόν ξέρω ΔΕΝ έχω volume).
Δε με πειράζει που στον DC Receiver ακούω το ίδιο σήμα 1Khz πιο πάνω. Για όσους χειρίζονται χρόνια καταλαβαίνουν ότι, ειδικά στο SOTA που εσύ είσαι ο «DX» σταθμός, δεν έχει καμιά σημασία. Βρίσκεις καθαρή συχνότητα, φωνάζεις, ακούς να σε καλούν, απαντάς και αυτό είναι. Να ξεφύγει και καμιά αδέσποτη απάντηση σιγά τα αυγά. Δε θα σε ακούσει εκείνος, δε θα απαντήσει, QRZ ? και πάμε για άλλα στο zoo που καταντάει η συχνότητα στο SOTA στο CW (θέλει αρετή και τόλμη να ξεχωρίσεις ένα callsign στο χαμό που σε καλεί).
Χρειάζεται να κόψω το Intermodulation μέσα στο mixer από τους broadcast AM σταθμούς. Ένα καλό φίλτρο δηλαδή. Ένα ειδικά σχεδιασμένο για το ΝΕ612. Και πέφτω εδώ: bp-fil.asp. Τέλειο.. Από τη στιγμή που ρυθμίσεις τα μεταβλητάκια bye bye Cuba Radio.
Οι 2 δίοδοι 1Ν4148 σταυρωτά στην είσοδο βοηθούν και αυτές. Αν και δεν ακούγεται σε καμία κεραία μέχρι τώρα ψίθυρος, σίγουρα και ένα μεταλλικό κουτί στο τέλος θα μας κάνει κομπακτέ.
Μεγάλοι διάδρομοι γείωσης, καλές επιφάνειες και συνδέσεις γείωσης, πολλοί decoupling capacitors, ferrite beads όπου το ένστικτο μας οδηγεί (
) και ξεχνάμε ότι είναι DC-Receiver.
Τι να κάνω με το θόρυβο? : Εδώ είναι το παιχνίδι που εμείς οι αρχάριοι μπορούμε πραγματικά να παίξουμε. Μια breadboard, κοντά ποδαράκια στα εξαρτήματα και με ελάχιστα χρήματα (κάτω από 10 ευρώ) γίνεται η χαρά του παιδιού.
Για audio filter έφτιαξα ένα απλό και γρήγορο στο 1Khz, το δοκίμασα και δεν ξανασχολήθηκα (τέλειο).
Για τον audio amplifier κατέληξα εδώ (με μια ελάχιστη μετατροπή για να μπορώ να επιλέξω μεγαλύτερο gain ή/και bandwidth) : Unleash-lm386.pdf
Το πάλεψα, όχι ότι δε το πάλεψα, είχα και από παλαιόθεν κάπου άλλες 4 εκδόσεις. Πιστεύω ότι έβαλα τον πιο ήσυχο.
Το πανηγύρι ξεκίνησε κάπως έτσι:
Προχώρησε έτσι:
Και σήμερα είμαστε εδώ:
Για το DDS διαβάστε εδώ:AD9850
Τις πλακέτες τις σχεδιάζουμε έτσι:Fritzing
Τις αποχαλκώνουμε στο πι και φι εδώ:Τυπωμένα Κυκλώματα
Φτιάχνουμε ωραία και εύκολα σχηματικά διαγράμματα εδώ: circuitlab.com
Το σχηματικό του δέκτη και το pdf για την κατασκευή της πλακέτας εδώ:
Για οποιασδήποτε απορία/διευκρίνιση ρωτήστε και μακάρι να μπορώ να σας βοηθήσω.. ρωτήστε. Και παρατηρήσεις / προτάσεις κάθε είδους δεκτές (ξεχάστε το δε ξηλώνω και δεν αλλάζω τπτ
).
Πάμε για τον πομπό τώρα.
Καλή διασκέδαση,
73, Πάνος, SV1COX
