ΜΠΑΤΑΡΙΕΣ ΜΟΛΥΒΔΟΥ - ΠΡΟΣΤΑΣΙΑ - ΑΝΑΚΥΚΛΩΣΗ
Με αφορμή μια συζήτηση που είχαμε με συνάδελφο σήμερα σχετικά με τις μπαταρίες μολύβδου έριξα μια ματιά στο διαδίκτυο και ανακάλυψα αυτή την πολύ αναλυτική σελίδα του Ομίλου Φουσκωτών Ελλάδος: www.ofse.gr.
Τό άρθρο του Τάσου Πορτοκάλογλου, Διπλ.Ηλεκτρονικού Ηλεκτρολόγου Μηχανικού εξαιρετικά περιεκτικό και χρήσιμο.
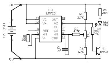
Προσωπικά δεν είχα αντιληφθεί ποτέ ότι οι μπαταρίες μολύβδου και αυτές (σαν τις LiPo) δεν πρέπει να εκφορτίζονται κάτω από μια συγκεκριμένη τάση (αυτή των 10.8V). Το πιο πάνω απλό κυκλωματάκι που δίνει ο κ. Πορτοκάλογλου είναι ένα μόνιτορ που παρακολουθεί αυτό το κρίσιμο κατώφλι τάσης.
enjoy
73, Πάνος, SV1COX
